气动焊接蝶阀 | CHD663H
气动焊接蝶阀 产品说明
气动焊接蝶阀是由气动执行器和焊接蝶阀组成,安装对应的阀门附件可以用来切断和调节的场合使用,例如:配电磁阀换向阀、限位开关等用在开关和切断的场合,配阀门定位器,给出模拟量控制信号4-20mA,可以控制阀门开度大小,来实现调节管道压力、流量、温度的大小。气动焊接蝶阀结构简单、体积小、重量轻,只由少数几个零件组成。而且只需旋转90°即可快速启闭,操作简单,同时该电动阀门具有良好的流体控制特性。蝶阀处于完全开启位置时,蝶板厚度是介质流经阀体时唯一的阻力,因此通过该阀门所产生的压力降 很小,故具有较好的流量控制特性。气动焊接蝶阀适用于通风管道、烟气管道、高温烟气管道中。
气动焊接蝶阀 性能参数
| 公称通径 | DN(mm) | 50~700 | ||||
|---|---|---|---|---|---|---|
| 公称压力 | PN(MPa) | 0.6 | 1.0 | 1.6 | 2.5 | 4.0 |
| 试验压力Ps(MPa) | 强度试验 | 0.9 | 1.5 | 2.4 | 3.75 | 6.0 |
| 密封试验 | 0.66 | 1.1 | 1.76 | 2.75 | 4.4 | |
| 气密封试验 | 0.6 | 0.6 | 0.6 | 0.6 | 0.6 | |
| 适用介质 | 水、蒸气、油品、酸类腐蚀性等。 | |||||
| 适用温度 | 碳钢 :-29℃~425℃ 不锈钢:-40℃~600℃ | |||||
气动焊接蝶阀 材质说明
| 零件名称 | 材料 |
|---|---|
| 阀体 | 铸钢、不锈钢、铬镍钼钛钢、铬钼钛钢等特殊材料 |
| 蝶板 | 铸钢、不锈钢、铬镍钼钛钢、铬钼钛钢等特殊材料 |
| 密封圈 | 与阀体相同 |
| 阀杆 | 碳钢、2Cr13、不锈钢、铬镍钼钛钢 |
| 填料 | 氟塑料、柔性石墨 |
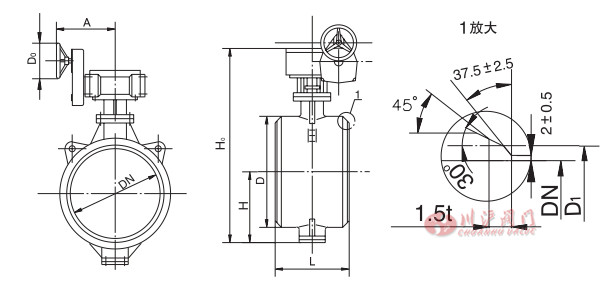
气动焊接蝶阀 结构尺寸图
气动焊接蝶阀 连接尺寸
DHT363H/W/Y-6C(P.R.V)连接尺寸
| 通径(DN) | L | D | H | Ho | A | Do | Wt/kg |
|---|---|---|---|---|---|---|---|
| 1000 | 550 | 1028 | 757 | 1985 | 620 | 500 ★ | 1460 |
| 1200 | 630 | 1228 | 851 | 2187 | 620 | 600 ★ | 1590 |
| 1400 | 710 | 1428 | 876 | 2312 | 620 | 600 ★ | 2185 |
| 1600 | 790 | 1628 | 1095 | 2679 | 620 | 600 ★ | 3210 |
| 1800 | 870 | 1828 | 1214 | 2917 | 620 | 600 ★ | 4090 |
| 2000 | 950 | 2028 | 1332 | 3173 | 620 | 600 ★ | 5610 |
DHT363H/W/Y-10C(P.R.V)连接尺寸
| 通径(DN) | L | D | H | Ho | A | Do | Wt/kg |
|---|---|---|---|---|---|---|---|
| 600 | 390 | 636 | 499 | 1183 | 350 | 350 ★ | 465 |
| 700 | 430 | 726 | 566 | 1460 | 420 | 450 ★ | 680 |
| 800 | 470 | 826 | 632 | 1589 | 545 | 450 ★ | 810 |
| 900 | 510 | 926 | 693 | 1856 | 545 | 500 ★ | 860 |
| 1000 | 550 | 1028 | 757 | 1985 | 620 | 500 ★ | 1625 |
| 1200 | 630 | 1228 | 851 | 2187 | 620 | 600 ★ | 1770 |
| 1400 | 710 | 1428 | 876 | 2312 | 620 | 600 ★ | 2425 |
| 1600 | 790 | 1628 | 1095 | 2679 | 620 | 600 ★ | 3560 |
| 1800 | 870 | 1828 | 1214 | 2917 | 620 | 600 ★ | 4545 |
| 2000 | 950 | 2028 | 1332 | 3173 | 620 | 600 ★ | 6230 |
DHT363H/W/Y-16C(P.R.V)连接尺寸
| 通径(DN) | L | D | H | H〇 | A | Do | Wt/kg |
|---|---|---|---|---|---|---|---|
| 80 | 180 | 90 | 90 | 320 | 150 | 160 | 27 |
| 100 | 190 | 110 | 100 | 339 | 192 | 160 | 34 |
| 125 | 200 | 135 | 113 | 365 | 192 | 160 | 41 |
| 150 | 210 | 161 | 130 | 414 | 192 | 230 | 43 |
| 200 | 230 | 222 | 205 | 512 | 245 | 230 | 81 |
| 250 | 250 | 278 | 235 | 572 | 245 | 230 | 102 |
| 300 | 270 | 330 | 275 | 667 | 270 | 230 | 132 |
| 350 | 290 | 382 | 309 | 744 | 305 | 230 | 164 |
| 400 | 310 | 432 | 346 | 827 | 305 | 350 | 193 |
| 450 | 330 | 484 | 392 | 913 | 305 | 350 | 238 |
| 500 | 350 | 535 | 427 | 995 | 350 | 350 | 302 |
| 600 | 390 | 636 | 509 | 1198 | 420 | 350 ★ | 457 |
| 700 | 430 | 726 | 572 | 1475 | 420 | 450 ★ | 810 |
| 800 | 470 | 826 | 638 | 1605 | 545 | 450 ★ | 1093 |
| 900 | 510 | 926 | 700 | 1875 | 545 | 500 ★ | 1410 |
| 1000 | 550 | 1028 | 765 | 2005 | 620 | 500 ★ | 1870 |
| 1200 | 630 | 1228 | 860 | 2210 | 620 | 600 ★ | 2082 |
| 1400 | 710 | 1428 | 986 | 2436 | 620 | 600 ★ | 2850 |
| 1600 | 790 | 1628 | 1106 | 2706 | 620 | 600 ★ | 4235 |
DHT363H/W/Y-25C(P.R.V)连接尺寸
| 通径(DN) | L | D | H | Ho | A | Do | Wt/kg |
|---|---|---|---|---|---|---|---|
| 80 | 180 | 90 | 90 | 320 | 150 | 160 | 38 |
| 100 | 190 | 110 | 106 | 351 | 192 | 160 | 40 |
| 125 | 200 | 135 | 122 | 377 | 192 | 160 | 60 |
| 150 | 210 | 161 | 136 | 423 | 192 | 230 | 65 |
| 200 | 230 | 222 | 215 | 527 | 245 | 230 | 85 |
| 250 | 250 | 278 | 247 | 591 | 245 | 230 | 135 |
| 300 | 270 | 330 | 288 | 698 | 305 | 230 | 175 |
| 350 | 290 | 382 | 333 | 786 | 305 | 230 | 195 |
| 400 | 310 | 432 | 359 | 847 | 305 | 350 | 295 |
| 450 | 330 | 484 | 405 | 947 | 305 | 350 | 350 |
| 500 | 350 | 535 | 444 | 1075 | 420 | 350 | 510 |
| 600 | 390 | 636 | 521 | 1353 | 545 | 350 ★ | 625 |
| 700 | 430 | 726 | 586 | 1496 | 545 | 450 ★ | 925 |
| 800 | 470 | 826 | 659 | 1640 | 620 | 450 ★ | 1260 |
| 900 | 510 | 926 | 720 | 1762 | 620 | 500 ★ | 1790 |
| 1000 | 550 | 1028 | 780 | 1881 | 620 | 500 ★ | 1940 |
| 1200 | 630 | 1228 | 889 | 2101 | 620 | 600 ★ | 2810 |
| 1400 | 710 | 1428 | 1000 | 2322 | 620 | 600 ★ | 3500 |
DHT363H/W/Y-40C(P.R.V)连接尺寸
| 通径(DN) | L | D | H | Ho | A | Do | Wt/kg |
|---|---|---|---|---|---|---|---|
| 80 | 180 | 90 | 108 | 356 | 150 | 160 | 39 |
| 100 | 190 | 110 | 108 | 356 | 192 | 160 | 42 |
| 125 | 200 | 135 | 120 | 378 | 192 | 160 | 65 |
| 150 | 210 | 161 | 135 | 436 | 192 | 230 | 67 |
| 200 | 230 | 222 | 202 | 520 | 245 | 230 | 90 |
| 250 | 250 | 278 | 235 | 600 | 245 | 230 | 140 |
| 300 | 270 | 330 | 280 | 695 | 305 | 230 | 240 |
| 350 | 290 | 382 | 315 | 783 | 305 | 230 | 260 |
| 400 | 310 | 432 | 355 | 865 | 350 | 350 | 320 |
| 450 | 330 | 484 | 370 | 961 | 350 | 350 | 500 |
| 500 | 350 | 535 | 420 | 1130 | 420 | 350 ★ | 550 |
| 600 | 390 | 636 | 490 | 1260 | 545 | 450 ★ | 900 |
注:★表示配二级蜗轮传动机构
更多>> 产品列表
- · 气动橡胶密封蝶阀 | CHD671X
- · 气动橡胶密封蝶阀 | CHD641X/F
- · 气动三偏心蝶阀 | CHD673H/Y
- · 气动三偏心蝶阀 | CHD643H/Y
- · 气动快装蝶阀 | CHD681X
- · 气动塑料蝶阀 | CHD671X
- · 气动水泥蝶阀 | BLF
- · 气动卫生级蝶阀 | CHD681X
- · 气动卫生级蝶阀 | CHD681X
- · 气动真空蝶阀 | GIQ
- · 气动四氟蝶阀 | CHD671F
- · 气动衬氟法兰蝶阀 | CHD641F
- · 气动衬胶蝶阀 | CHD671J
- · 气动衬胶法兰蝶阀 | CHD641J
- · 气动衬氟蝶阀 | CHD671F46
- · 气动通风蝶阀 | CHD641W
- · 大口径气动通风蝶阀 | CHD641W
- · 气动调节蝶阀 | CHD671X
- · 气动法兰调节蝶阀 | CHD643H/Y
- · 气动通风调节蝶阀 | CHD641W
- · 气动焊接蝶阀 | CHD663H
- · 气动伸缩蝶阀 | CHSD643H
更多>> 阀门图片列表
更多>> 其他阀门
