AT气动执行器是将压缩空气为动力,通过活塞齿条、齿轮的机械传动,以角行程输出扭距的气动执行器,产品外型小、重量轻、使用寿命长性能高。是目前一种新型的气动执行器产品。分为双作用和单作用(弹簧复位)。适用于角行程控制阀(球阀、蝶阀类)的开关和调节。也可用于其它需要回转的场合。
AT气动活塞式执行机构配用在球阀、蝶阀等旋转型阀门中,具有重量轻,结构紧凑、使用方便、控制精度高、性能稳定等特点。可用于开关型场合(阀门一开一闭,配电磁换向阀、阀位反馈、空气过滤减压阀)和调节型场合(配定位器,控制信号4-20mA控制阀门开度,实现流量调节)。
1、齿轮齿条双活塞对称结构设计,动作快速平稳,精度高,输出功率大,通过简单的改变活塞装配位置可得到反方向旋转。
2、挤压的优质铝合金缸体,经精密加工的内孔和外部表面进行硬质阳极氧化处理(特殊情况下阳极氧化+特氟隆涂层),使用寿命更长,摩擦系数低。
3、一体式设计,所有的双作用和单作用执行器型号,都具有相同的缸体和端盖,很方便通过加装弹簧或拆除弹簧来改变作用方式。
4、组合式预符荷安全弹簧组,不论在装配过程或使用现场中,都能方便而安全的安装或增减弹簧数量。
5、外部侧面两个单独调节螺钉对于已安装在阀门上的执行器更是精确方便,调节阀开和阀关位置,如需全行程调节时则另外在两个端盖处配置较长调节螺钉。
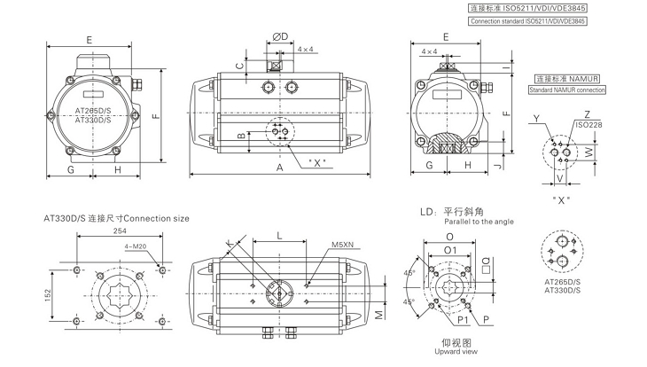
6、多功能位置指示器,现场可视化指示,符合VID/VIE3845、NAMUR标准槽,能安装并输出所有附件,如限位开关盒、电气定位器、位置传感器(倍加福、图尔克)。
7、气源接口符合NRMAR标准,可直接安装NUMAR标准电磁阀。
8、齿条背面的复合材料轴瓦和活塞导向环以及输出轴的轴承等为防止金属对金属的摩擦,并且增加润滑,使其低摩擦、长寿命。
9、所有的紧固件均采用不锈钢材料,长期抗腐蚀。
10、连接部分符合全新国际标准规范ISO5211,DIN3337(F03-F25)使产安装具有互换性、通用性。
双作用式

当气源压力从气口(2)进入气缸两活塞之间中腔时,使两活塞分离向气缸两端方向移动,两端气腔的空气通过气口(4)排除, 同时使两活塞齿条同步带动输出轴(齿轮)逆时针方向旋转。反之气源压力从气口(4)进入气缸两端气腔时,使两活塞向 气缸中间方向移动,中间气腔的空气通过气口(2)排除,同时使两活塞齿条同步带动输出轴(齿轮)顺时针方向旋转。 (如果把活塞相对反方向安装,输出轴变为反向旋转,即为双作用反转型)
单作用式(弹簧复位)

当气源压力从气口(2)进入气缸两活塞之间中腔时,使两活塞分离向气缸两端方向移动,使两活塞分离向气缸两端方向移动, 迫使两端的弹簧压缩,两端气腔的空气通过气口(4)排出,同时使两活塞齿条同步带动输出轴(齿轮)逆时针方向旋转。当 气源压力经过电磁阀换向后,气缸的两活塞在弹簧的弹力下向中间方向移动,中间气腔的空气从气口(2)排除,同时使两 活塞齿条同步带动输出轴(齿轮)顺时针方向旋转。(如果把活塞相对反方向安装,弹簧复位输出轴变为反向旋转,即为单作用反转型)
双作用气缸输出扭矩

单作用气缸输出扭矩

安装尺寸图

安装尺寸参数表

